ebook
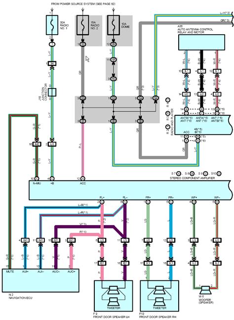
QHZ Lexus Gs300 Audio Wiring Diagram Doc Book

Privacy Policy | DMCA | Contact DMCA

1985 Plymouth Voyager Wiring Diagram Privacy Policy | DMCA | Conta…
2005 Lexus Rx330 Radio Wiring Diagram Privacy Policy | DMCA | Cont…
Wiring Diagram 8N Ford Tractor Privacy Policy | DMCA | Contact DMC…
1984 Toyota Hilux Wiring Diagram Privacy Policy | DMCA | Contact D…
Chrysler 56038366Ab Wiring Diagram Privacy Policy | DMCA | Contact…
Hd Flhr Wiring Diagram 2008 Privacy Policy | DMCA | Contact DMCA
Diy Headlight Wiring Harness Privacy Policy | DMCA | Contact DMCA…